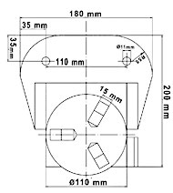
Teilapparat T 110

  • schwenkbar von horizontal auf vertikal 90° (Skala)
  • mit 3-Backendrehfutter 110 mm
  • Spitzenhöhe 70 mm
  • mit Rändelmutter zum Spannen des Futters (360° Skala)
  • Drehfutterdurchlass 25 mm
  • ausrastbar zum Direktdrehen des Futters per Hand
  • Gewicht: 9 kg
Art.-Nr. 110 940
Preis € 315,-