Pneumatischer Drehtisch
Die Spannfläche wird pneumatisch angehoben und kann dann mit geringem
Krataufwand manuell gedreht werden
- max. Tischbelastung bis 8000 kg
- maximaler Drehbereich 0° - 360°
- hohe Klemmkraft bis 100 kN
- manuell drehbar
- Parallelität 0,03 mm / 1000 mm
- Teilgenauigkeit ± 3 sek
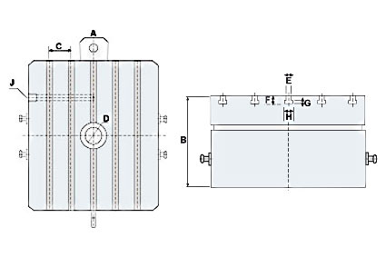
| Tischgröße mm |
400 x 400 |
500 x 500 |
630 x 630 |
800 x 800 |
1000 x 1000 |
1200 x 1200 |
| A |
400 |
500 |
630 |
800 |
1000 |
1200 |
| B |
190 |
210 |
235 |
290 |
320 |
380 |
| C |
80 |
100 |
100 |
100 |
160 |
200 |
| D |
30 |
40 |
40 |
60 |
60 |
60 |
| E |
14 |
14 |
18 |
18 |
18 |
22 |
| F |
23 |
23 |
30 |
30 |
30 |
38 |
| G |
9 |
9 |
12 |
12 |
12 |
16 |
| H |
23 |
23 |
30 |
30 |
30 |
37 |
| J |
Z 1/4" |
Z 1/4" |
Z 1/4" |
Z 3/8" |
Z 3/8" |
7 3/8" |
| Technische Daten |
| Tischgröße |
mm |
400 x 400 |
500 x 500 |
630 x 630 |
800 x 800 |
1000 x 1000 |
1200 x 1200 |
| Anhebung beim Drehen |
mm |
5 |
5 |
5 |
6 |
6 |
6 |
| Erforderliche Druckluftversorgung |
bar |
5 - 8 |
5 - 8 |
5-8 |
5 - 8 |
5 - 8 |
5 - 8 |
| Gradteilung |
mm |
5° |
5° |
5° |
5° |
5° |
5° |
| max. Tischbelastung |
kg |
1400 |
2400 |
3500 |
5500 |
7000 |
8000 |
| Gewicht |
kg |
300 |
450 |
750 |
1600 |
1800 |
3250 |
| Klemmkraft |
kN |
18 |
28 |
42 |
59 |
75 |
100 |
| Art.-Nr. |
|
125 860 |
125 861 |
125 862 |
125 863 |
125 864 |
125 865 |
| Preis Euro |
|
8.900,- |
11.900,- |
13.900,- |
16.400,- |
18.800,- |
22.900,- |
|